摘要:介绍了一种基于补偿原理的共模干扰抑制技术,通过抑制电源辐射来减少变换器的共模干扰。这种方法被推广应用于多种功率变换器拓扑,理论和实验结果都表明该技术有效减少了电路的共模干扰。
关键词:开关电源;共模干扰;抑制技术
0 引言
由于MOSFET及IGBT和软开关技术在电力电子电路中的广泛应用,使得功率变换器的开关频率越来越高,结构更加紧凑,但亦带来许多问题,如寄生元件产生的影响加剧,电磁辐射加剧等,所以EMI问题是目前电力电子界关注的主要问题之一。
传导是电力电子装置中干扰传播的重要途径。差模干扰和共模干扰是主要的传导干扰形态。多数情况下,功率变换器的传导干扰以共模干扰为主。本文介绍了一种基于补偿原理的无源共模干扰抑制技术,并成功地应用于多种功率变换器拓扑中。理论和实验结果都证明了,它能有效地减小电路中的高频传导共模干扰。这一方案的优越性在于,它无需额外的控制电路和辅助电源,不依赖于电源变换器其他部分的运行情况,结构简单、紧凑。
1 补偿原理
共模噪声与差模噪声产生的内部机制有所不同:差模噪声主要由开关变换器的脉动电流引起;共模噪声则主要由较高的dv/dt与杂散参数间相互作用而产生的高频振荡引起。如图1所示。共模电流包含连线到接地面的位移电流,同时,由于开关器件端子上的dv/dt是最大的,所以开关器件与散热片之间的杂散电容也将产生共模电流。图2给出了这种新型共模噪声抑制电路所依据的本质概念。开关器件的dv/dt通过外壳和散热片之间的寄生电容对地形成噪声电流。抑制电路通过检测器件的dv/dt,并把它反相,然后加到一个补偿电容上面,从而形成补偿电流对噪声电流的抵消。即补偿电流与噪声电流等幅但相位相差180°,并且也流入接地层。根据基尔霍夫电流定律,这两股电流在接地点汇流为零,于是50Ω的阻抗平衡网络(LISN)电阻(接测量接收机的BNC端口)上的共模噪声电压被大大减弱了。

图1 CM及DM噪声电流的耦合路径示意图

图2 提出的共模噪声消除方法
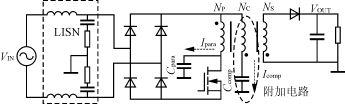
2 基于补偿原理的共模干扰抑制技术在开关电源中的应用
本文以单端反激电路为例,介绍基于补偿原理的共模干扰抑制技术在功率变换器中的应用。图3给出了典型单端反激变换器的拓扑结构,并加入了新的共模噪声抑制电路。如图3所示,从开关器件过来的dv/dt所导致的寄生电流ipara注入接地层,附加抑制电路产生的反相噪声补偿电流icomp也同时注入接地层。理想的状况就是这两股电流相加为零,从而大大减少了流向LISN电阻的共模电流。利用现有电路中的电源变压器磁芯,在原绕组结构上再增加一个附加绕组NC。由于该绕组只需流过由补偿电容Ccomp产生的反向噪声电流,所以它的线径相对原副方的NP及NS绕组显得很小(由实际装置的设计考虑决定)。附加电路中的补偿电容Ccomp主要是用来产生和由寄生电容Cpara引起的寄生噪声电流反相的补偿电流。Ccomp的大小由Cpara和绕组匝比NP∶NC决定。如果NP∶NC=1,则Ccomp的电容值取得和Cpara相当;若NP∶NC≠1,则Ccomp的取值要满足icomp=Cpara·dv/dt。

图3 带无源共模抑制电路的隔离型反激变换器
此外,还可以通过改造诸如Buck,Half-bridge等DC/DC变换器中的电感或变压器,从而形成无源补偿电路,实现噪声的抑制,如图4,图5所示。

图4 带有无源共模抑制电路的半桥隔离式DC/DC变换器

图5 带有无源共模抑制电路的Buck变换器















苏公网安备32050802011615号