摘要: 以反激式开关电源为例,在分析其高频变压器形成共模传导EMI 机理的基础上,探讨了在变压器设计中设置屏蔽层以抑制共模传导EMI 的原理。给出了具体的设计方法,并应用于具体产品的设计中。试验测试表明,屏蔽层的设置可以有效地抑制高频开关电源的共模传导EMI。由此进一步研究了屏蔽层在其他类型开关电源中应用的可行性。
引言
电磁兼容( Electromagnetic Compatibility,EMC)是指电子设备或系统在电磁环境下能正常工作,且不对该环境中任何事物构成不能承受的电磁骚扰的能力。它包括电磁干扰(EMI)和电磁敏感(EMS) 两方面。由于开关电源中存在很高的di /dt 和du /dt,因此,所有拓扑形式的开关电源都有电磁干扰的问题。目前克服电磁干扰的技术手段主要有:在电源的输入、输出端设置无源或有源滤波器,设置屏蔽外壳并接地,采用软开关技术和变频控制技术等。
开关电源中,EMI 产生的根本原因在于存在着电流、电压的高频急剧变化,其通过导线的传导,以及电感、电容的耦合形成传导EMI。同而电流、电压的变化必定伴有磁场、电场的变化,因此,导致了辐射EMI。本文着重分析变压器中共模传导EMI 产生的机理,并以此为依据,阐述了变压器中不同的屏蔽层设置方式对共模传导EMI 的抑制效果。
1 高频变压器中传导EMI 产生机理
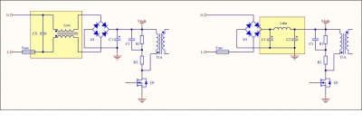
以反激式变换器为例,其主电路如图1 所示。
开关管开通后,变压器一次侧电流逐渐增加,磁芯储能也随之增加。当开关管关断后,二次侧整流二极管导通,变压器储能被耦合到二次侧,给负载供电。

图1 反激变换器
在开关电源中,输入整流后的电流为尖脉冲电流,开关开通和关断时变换器中电压、电流变化率很高,这些波形中含有丰富的高频谐波。另外,在主开关管开关过程和整流二极管反向恢复过程中,电路的寄生电感、电容会发生高频振荡,以上这些都是电磁干扰的来源。开关电源中存在大量的分布电容,这些分布电容给电磁干扰的传递提供了通路,如图2 所示。图2 中,LISN 为线性阻抗稳定网络,用于线路传导干扰的测量。干扰信号通过导线、寄生电容等传递到变换器的输入、输出端,形成了传导干扰。变压器的各绕组之间也存在着大量的寄生电容,如图3 所示。图3 中,A、B、C、D 4 点与图1 中标识的4点相对应。

图2 反激式开关电源寄生电容典型的分布

图3 变压器中寄生电容的分布
在图1 所示的反激式开关电源中,变换器工作于连续模式时,开关管VT 导通后,B 点电位低于A 点,一次绕组匝间电容便会充电,充电电流由A 流向B;VT 关断后,寄生电容反向充电,充电电流由B 流向A。这样,变压器中便产生了差模传导EMI。同时,电源元器件与大地之间的电位差也会产生高频变化。由于元器件与大地、机壳之间存在着分布电容,便产生了在输入端与大地、机壳所构成回路之间流动的共模传导EMI 电流。
具体到变压器中,一次绕组与二次绕组之间的电位差也会产生高频变化,通过寄生电容的耦合,从而产生了在一次侧与二次侧之间流动的共模传导EMI 电流。交流等效回路及简化等效回路如图4所示。图4 中:ZLISN为线性阻抗稳定网络的等效阻抗;CP为变压器一次绕组与二次绕组间的寄生电容;ZG为大地不同点间的等效阻抗;CSG为输出回路与地间的等效电容;Z 为变压器以外回路的等效阻抗。

图4 变压器中共模传导EMI 的流通回路

















苏公网安备32050802011615号